リレー基板部品面
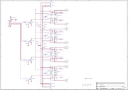
アンプを切り換える為のリレー基板で、アンプの出力(スピーカ端子)を切り換えます。 4チャネルあります。リレーはHJ4-Lで設計しています。 電源電圧は12Vを使用します。その為リレーも12Vになります。 この基板は金メッキレベラーで制作しました。基板のみの販売です。
- リレー: HJ4-L-DC12V-6(Panasonic)
- SP: VHコネクタ(未使用可)
- トランジスタ: 2SD1415(ダーリントン)
- 制御コネクタ: B8B-EH(JST)
- 基板サイズ: 152.4x81.28mm(6000x3200mil),t1.6
基板サイズはPhono側と同じです。ただしPhono側8chをそのまま使うと、このSP側は 2枚必要になります。
リレー基板半田面
スピーカへの接続はVHコネクタを仮に配置しました。しかしこのランドは少々小さかったようです。
基板回路図
phonoの回路図と合わせて見ると良いと思います。


